走进金年会jinnianhui,让您的生活变得健康、快乐起来!

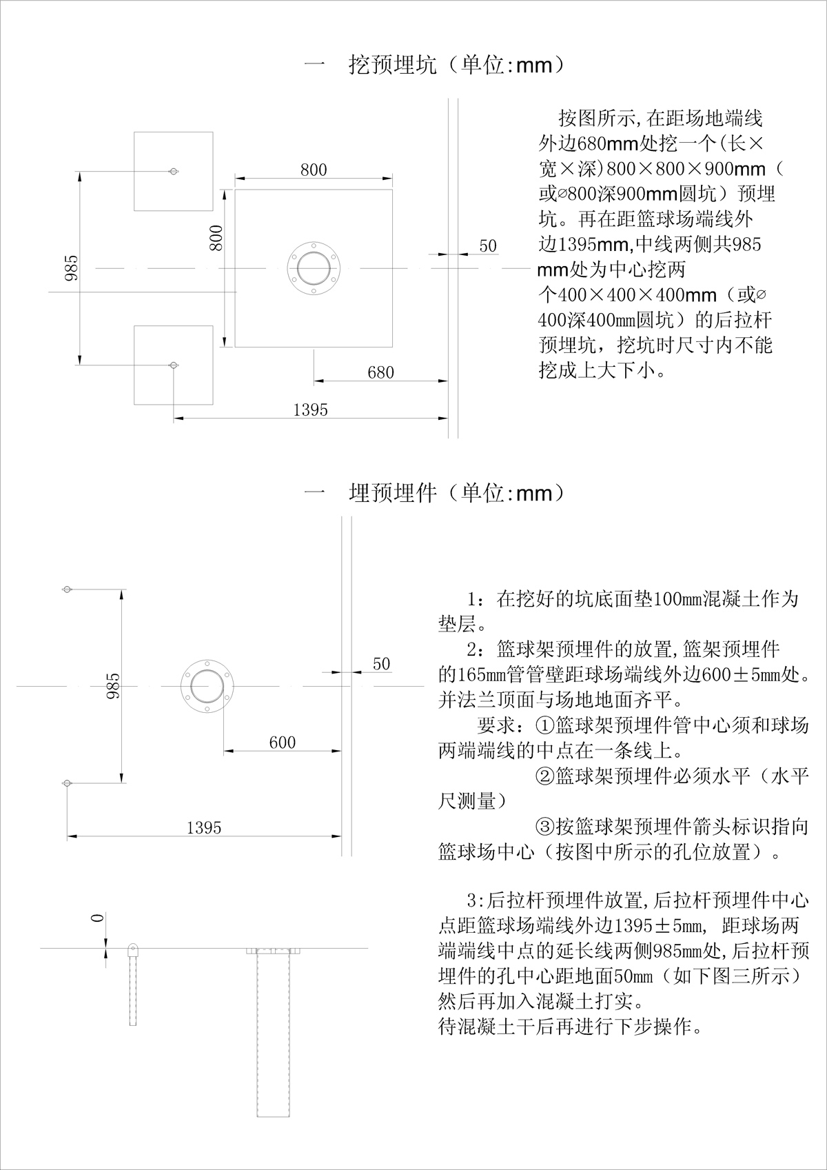
地埋圆管篮架安装说明

【类别:常见问题 【作者:金年会jinnianhui 【时间:2018-06-12 22:40:36】

地埋圆管篮架安装说明

地埋圆管篮架安装说明

地埋圆管篮架安装说明

地埋圆管篮架安装说明



公司简介

金年会jinnianhui(中国)体育用品有限责任公司于2009年8月创建,公司拥有3800平方米的标准生产厂房和办公楼。拥有一批高素质的员工团队,装备了成套先进技术的生产设备。

查看更多

联系我们

  • 028-67930056
  • 138-8197-9667
  • 四川省成都市金堂县九龙工业园区
  • 1139495183@qq.com

微信联系我们

金年会jinnianhui

手机访问请扫描

金年会jinnianhui